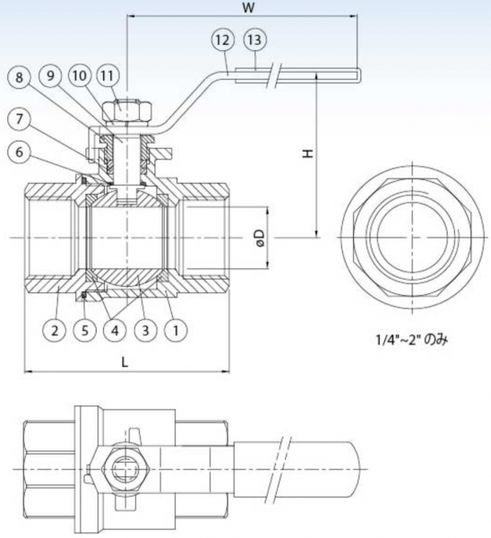
2ピースタイプ ねじ込み接続 ボールバルブ A2TM3
2ピースタイプ、ねじ込み接続
ボア径:フルボア
ロストワックス鋳造
材質:ASTM-A351-CF8M、ASTM-A351-CF8、ASTM-A351-CF3M、ASTM-A216-WCB
面間距離:DIN3202 M3
圧力規格:2000WOG(1/4"~1")、1500WOG(1-1/4"~2")
呼び径:1/4"~2"(DN8~DN50)
接続継手規格:DIN2999/DIN259/BSPT/NPT
ハンドルロック:有り/無し、差し込み溶接型(ANSI B16.25)



















