3ピースタイプ 高圧ボールバルブ H3TP
3ピースタイプ
ボア径:フルボア
ロストワックス鋳造
材質:ASTM-A351-CF8M、ASTM-A351-CF8、ASTM-A351-CF3M、ASTM-A216-WCB
圧力規格:2000WOG
接続継手規格:ねじ込み/差し込み溶接
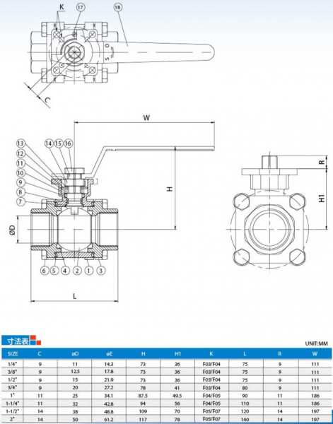
呼び径:1/4"~2"(DN8~DN50)
ISO 5211 準拠取り付け穴
ハンドルロック:有り/無し
ファイアーセーフデザイン
ハンドル:鋳造カバーなし


ボア径:フルボア
ロストワックス鋳造
材質:ASTM-A351-CF8M、ASTM-A351-CF8、ASTM-A351-CF3M、ASTM-A216-WCB
圧力規格:2000WOG
接続継手規格:ねじ込み/差し込み溶接
呼び径:1/4"~2"(DN8~DN50)
ISO 5211 準拠取り付け穴
ハンドルロック:有り/無し
ファイアーセーフデザイン
ハンドル:鋳造カバーなし


※原則3営業日以内に必ずご返答いたします。 万一 3営業日経ってもご返答がない場合は、【06-7662-8687】までお問い合わせください。