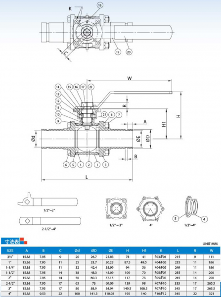
3ピースタイプ グルービング付きロングネック ボールバルブ H3EG
グルービング付きロングネック
ボア径:フルボア
ロストワックス鋳造
材質:ASTM-A351-CF8M、ASTM-A351-CF8、ASTM-A351-CF3M、ASTM-A216-WCB
圧力規格:1000WOG(1/2"~2")、800WOG(2-1/2"~4")
接続継手規格:突合せ溶接エンド(ASTM-A312)
呼び径:1/2"~4"(DN15~DN100)
ISO 5211 準拠取り付け穴
ハンドルロック:有り/無し

















