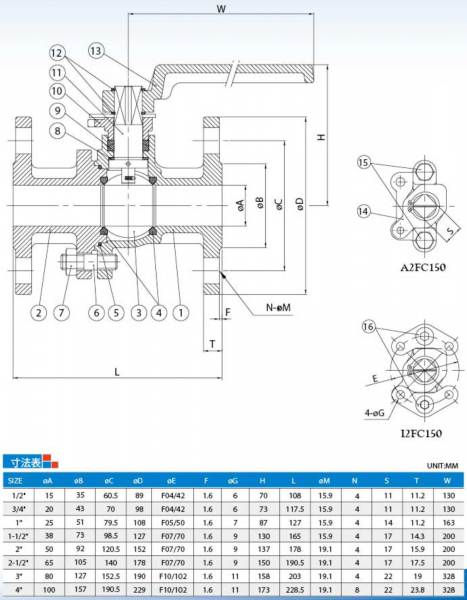
2ピースタイプ フランジ ボールバルブ A2FC150
2ピースタイプ、フランジ
ボア径:フルボア
ロストワックス鋳造
材質:ASTM-A351-CF8M、ASTM-A351-CF8、ASTM-A351-CF3M、ASTM-A216-WCB
圧力規格:ANSI CLASS 150
フランジ規格:ANSI B16.5
面間寸法:ANSI B16.10
ファイヤーセーフデザイン
帯電防止 ステム
呼び径:1/2"~4"(DN15~DN100)→1-1/4"(DN32)は製造していない
ハンドルロック穴付き
ハンドル:ダクタイル製

















