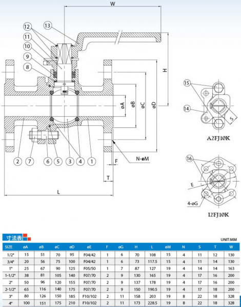
2ピースタイプ フランジ ボールバルブ A2FJ10K
2ピースタイプ、フランジ
ボア径:フルボア
ロストワックス鋳造
材質:SCS 14A/SCS 13A
圧力規格:JIS 10K
フランジ規格:JIS B2220
面間寸法:JIS B2002
ファイヤーセーフデザイン
帯電防止 ステム
呼び径:1/2"~4"(DN15~DN100)→1/1/4"(DN32)は製造していない
ハンドルロック穴付
ハンドル:ダクタイル製


ボア径:フルボア
ロストワックス鋳造
材質:SCS 14A/SCS 13A
圧力規格:JIS 10K
フランジ規格:JIS B2220
面間寸法:JIS B2002
ファイヤーセーフデザイン
帯電防止 ステム
呼び径:1/2"~4"(DN15~DN100)→1/1/4"(DN32)は製造していない
ハンドルロック穴付
ハンドル:ダクタイル製


※原則3営業日以内に必ずご返答いたします。 万一 3営業日経ってもご返答がない場合は、【06-7662-8687】までお問い合わせください。