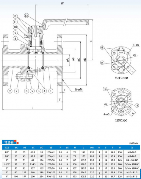
2ピースタイプ フランジ ボールバルブ V2FC300
2ピースタイプ、フランジ
ボア径:フルボア
ロストワックス鋳造
材質:ASTM-A351-CF8M、ASTM-A351-CF8、ASTM-A351-CF3M、ASTM-A216-WCB
圧力規格:ANSI CLASS 300
フランジ規格:ANSI B16.5
面間寸法:ANSI B16.10
ファイヤーセーフデザイン
帯電防止 ステム
呼び径:1/2"~4"(DN15~DN100)→1-1/4”(DN32)& 2-1/2”(DN65)は製造していない
ハンドル:ダクタイル製
ハンドルロック穴付
ISO 5211取付パッド付き

















