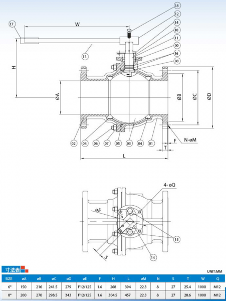
2ピースタイプ フランジ ボールバルブ V2FC150(6” & 8”)
2ピースタイプ、フランジ
ボア径:フルボア
ロストワックス鋳造
材質:ASTM-A351-CF8M、ASTM-A351-CF8、ASTM-A351-CF3M、ASTM-A216-WCB
圧力規格:ANSI CLASS 150
フランジ規格:ANSI B16.5
面間寸法:ANSI B16.10
ファイヤーセーフデザイン
帯電防止 ステム
呼び径:6" & 8"(DN150 & DN200)のみ
ロッド操作付き
ハンドルロック穴付
ISO 5211 取付パッド付き

















