2ピースタイプ フランジ ボールバルブ V2FJ10K(6” & 8”)
2ピースタイプ、フランジ
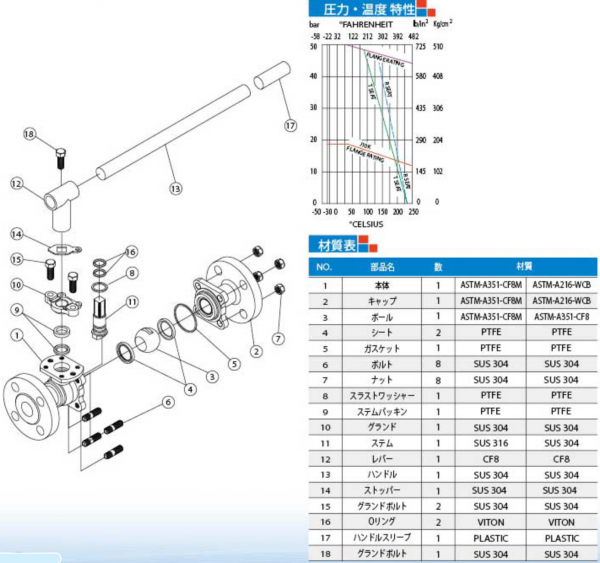
ボア径:フルボア
ロストワックス鋳造
材質:SCS 14A/SCS 13A
圧力規格:JIS 10K
フランジ規格:JIS B2220
面間寸法:JIS B2002
ファイヤーセーフデザイン
帯電防止 ステム
呼び径:6" & 8"(DN150 & DN200)のみ
ロッド操作付き
ハンドルロック穴付
ISO 5211取付パッド付き


ボア径:フルボア
ロストワックス鋳造
材質:SCS 14A/SCS 13A
圧力規格:JIS 10K
フランジ規格:JIS B2220
面間寸法:JIS B2002
ファイヤーセーフデザイン
帯電防止 ステム
呼び径:6" & 8"(DN150 & DN200)のみ
ロッド操作付き
ハンドルロック穴付
ISO 5211取付パッド付き


※原則3営業日以内に必ずご返答いたします。 万一 3営業日経ってもご返答がない場合は、【06-7662-8687】までお問い合わせください。