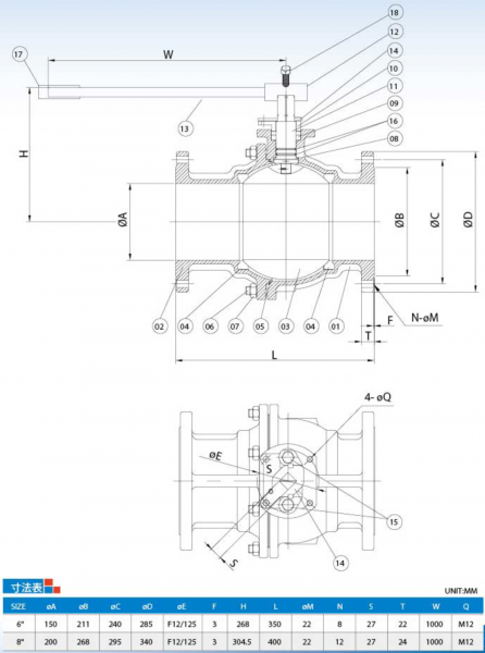
2ピースタイプ フランジ ボールバルブ V2FPN16F5(6” & 8”)
2ピースタイプ、フランジ
ボア径;フルボア
ロストワックス鋳造
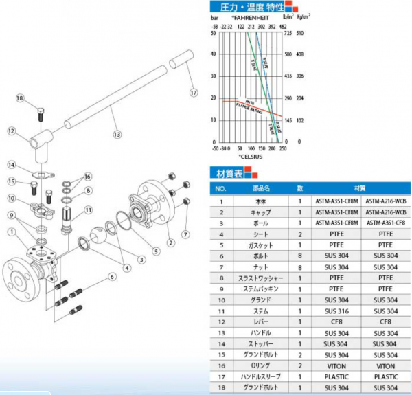
材質:EN10213-1.4408、EN10213-1.4308、EN10213-1.4409、EN10213-1.0619
圧力規格:DIN PN16
フランジ規格:DIN2543
面間寸法:DIN 3202/F5 TYPE
ファイヤーセーフデザイン
帯電防止 ステム
呼び径:6" & 8"(DN150 & DN200)のみ
ロッド操作付き
ハンドルロック穴付
ISO 5211 取付パッド付き

















