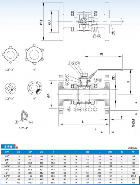
3ピースタイプ フランジ ボールバルブ A3FC150-HL
3ピースタイプ、フランジ
ボア径:フルボア
ロストワックス鋳造
材質:ASTM-A351-CF8M、ASTM-A351-CF8、ASTM-A351-CF3M、ASTM-A216-WCB
圧力規格:ANSI CLASS 150
フランジ規格:ANSI B16.5
面間寸法:DIN 3202/F1タイプ
呼び径:1/2"~4"(DN15~DN100)
ハンドルロック:有り/無し


ボア径:フルボア
ロストワックス鋳造
材質:ASTM-A351-CF8M、ASTM-A351-CF8、ASTM-A351-CF3M、ASTM-A216-WCB
圧力規格:ANSI CLASS 150
フランジ規格:ANSI B16.5
面間寸法:DIN 3202/F1タイプ
呼び径:1/2"~4"(DN15~DN100)
ハンドルロック:有り/無し


※原則3営業日以内に必ずご返答いたします。 万一 3営業日経ってもご返答がない場合は、【06-7662-8687】までお問い合わせください。