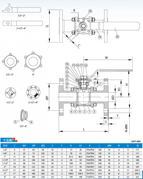
3ピースタイプ ボールバルブ H3FPN40
3ピースタイプ
ボア径:フルボア
ロストワックス鋳造
材質:EN10213-1.4408、EN10213-1.4308、EN10213-1.4409、EN10213-1.0619
圧力規格:DIN PN40
呼び径:1/2"~4"(DN15~DN100)
フランジ規格:EN1092-1
面間寸法:DIN 3202/F1タイプ
ISO 5211 準拠取り付け穴
ハンドルロック:有り/無し


ボア径:フルボア
ロストワックス鋳造
材質:EN10213-1.4408、EN10213-1.4308、EN10213-1.4409、EN10213-1.0619
圧力規格:DIN PN40
呼び径:1/2"~4"(DN15~DN100)
フランジ規格:EN1092-1
面間寸法:DIN 3202/F1タイプ
ISO 5211 準拠取り付け穴
ハンドルロック:有り/無し


※原則3営業日以内に必ずご返答いたします。 万一 3営業日経ってもご返答がない場合は、【06-7662-8687】までお問い合わせください。