3ピースタイプ サニタリーバルブ H3SB
サニタリータイプ
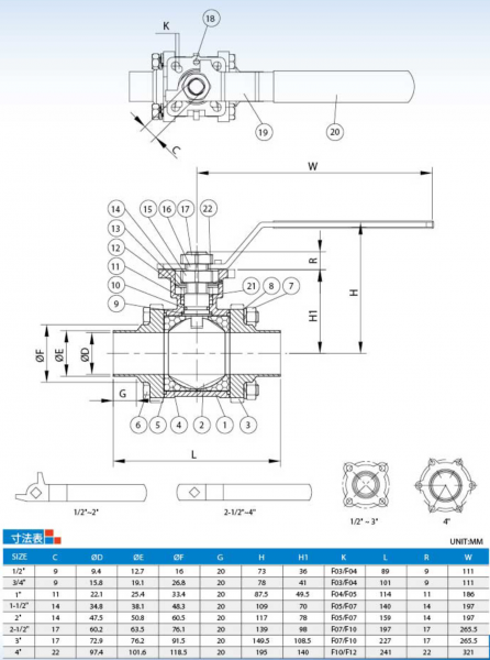
ボア径:スタンダードボア
ロストワックス鋳造
材質:ASTM-A351-CF8M、ASTM-A351-CF3M、圧力規格:1000WOG(1/2"~2")、800WOG(2-1/2"~4")
シート:キャビティーシート(PTFE)
呼び径:1/2"~4"(DN15~DN100)、1-1/4”(DN32)は製造していない
エンドコネクション:チューブ エンド(US/3A)
ISO 5211 準拠取り付け穴
ハンドルロック:有り/無し


ボア径:スタンダードボア
ロストワックス鋳造
材質:ASTM-A351-CF8M、ASTM-A351-CF3M、圧力規格:1000WOG(1/2"~2")、800WOG(2-1/2"~4")
シート:キャビティーシート(PTFE)
呼び径:1/2"~4"(DN15~DN100)、1-1/4”(DN32)は製造していない
エンドコネクション:チューブ エンド(US/3A)
ISO 5211 準拠取り付け穴
ハンドルロック:有り/無し


※原則3営業日以内に必ずご返答いたします。 万一 3営業日経ってもご返答がない場合は、【06-7662-8687】までお問い合わせください。