3/4/5多方 ボールバルブ H6T-HL
ロストワックス鋳造
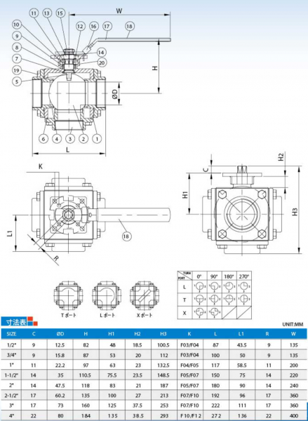
ボア径:スタンダートボア
材質:ASTM-A351-CF8M、ASTM-A351-CF8、ASTM-A351-CF3M、ASTM-A216-WCB
圧力規格:800WOG/PN40
接続継手規格:ねじ込み/差し込み溶接
呼び径:1/2"~4"(DN15~DN100)、1-1/4”(DN32)は製造していない
ボールオプション:Lポート/Tポート/Xポート
面間寸法:M2(1/2"~2")/S13(2-1/2"~4")
ISO 5211 準拠取り付け穴
ハンドルロック:有り

















