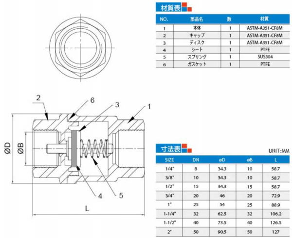
2ピースタイプ チャッキバルブ CV-2
2ピースタイプ
ロストワックス鋳造
材質:ASTM-A351-CF8M
使用圧力:1000PSI
作動圧力:1~3 PSI
呼び径:1/4"~2"(DN8~DN50)
接続規格:DIN2999/DIN259/BSPT/NPT

ロストワックス鋳造
材質:ASTM-A351-CF8M
使用圧力:1000PSI
作動圧力:1~3 PSI
呼び径:1/4"~2"(DN8~DN50)
接続規格:DIN2999/DIN259/BSPT/NPT

※原則3営業日以内に必ずご返答いたします。 万一 3営業日経ってもご返答がない場合は、【06-7662-8687】までお問い合わせください。