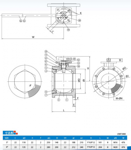
1ピースタイプ フランジ ボールバルブ H1FPN16-NL
1ピースタイプ、フランジ
ボア径:スタンダードボア(5"~6")
ロストワックス鋳造
材質:EN10213-1.4408、EN10213-1.4308、EN10213-1.4409、EN10213-1.0619
圧力規格:DIN PN16
フランジ規格:EN1092-1
呼び径:5"~6"(DN125~DN150) ISO 5211 準拠取り付け穴 ハンドルロック:無し

















