製品情報

RB-37B/RB-37S

  • RBギアボックス
  • 軸受:ボールベアリング、スリーブベアリング
  • ラジアル荷重:≦2kgf/≦1kgf
  • アキシアル荷重:≦0.7kgf
  • 使用温度範囲:-10~+60℃
  • 使用湿度範囲:20%~85%RH

メーカー:SHA YANG YE(台湾)

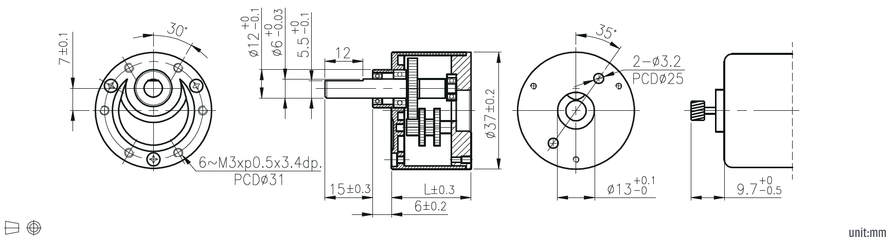
RB-37B外形図

RB-37B規格

RB-37B仕様

カタログ資料